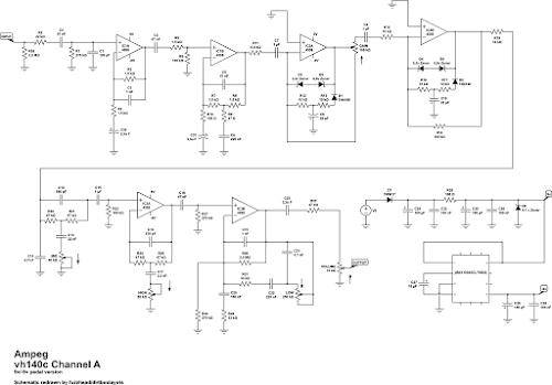
This one was quite a mess to get right since some of the schematics online was missing parts and/or had the wrong values. After some head scratching I worked from the factory schematic of the actual amp.
However, did some mods without changing the charcter of the sound to much. First 9v/-9v operation is used simply because there wasn't a big difference in sound compared to stock 15v/-15v, maybe a bit less headroom (I have added a 15v version of it at bottom of this post but it is not verified).
Added some power filtering and changed a non polarized cap to standard electrolyctic (3,3uF) and changed gain pot to audio taper for better sweep.
Stock units had three 4558 op amps but to my ears TL072's perform much better. Also a buffer up front is mandotory because this thing will squeal with controls dimed.
First up schematic:
Verified 9v/-9v version
15v/-15v version which is using a the more robust LT1054 charge pump.


